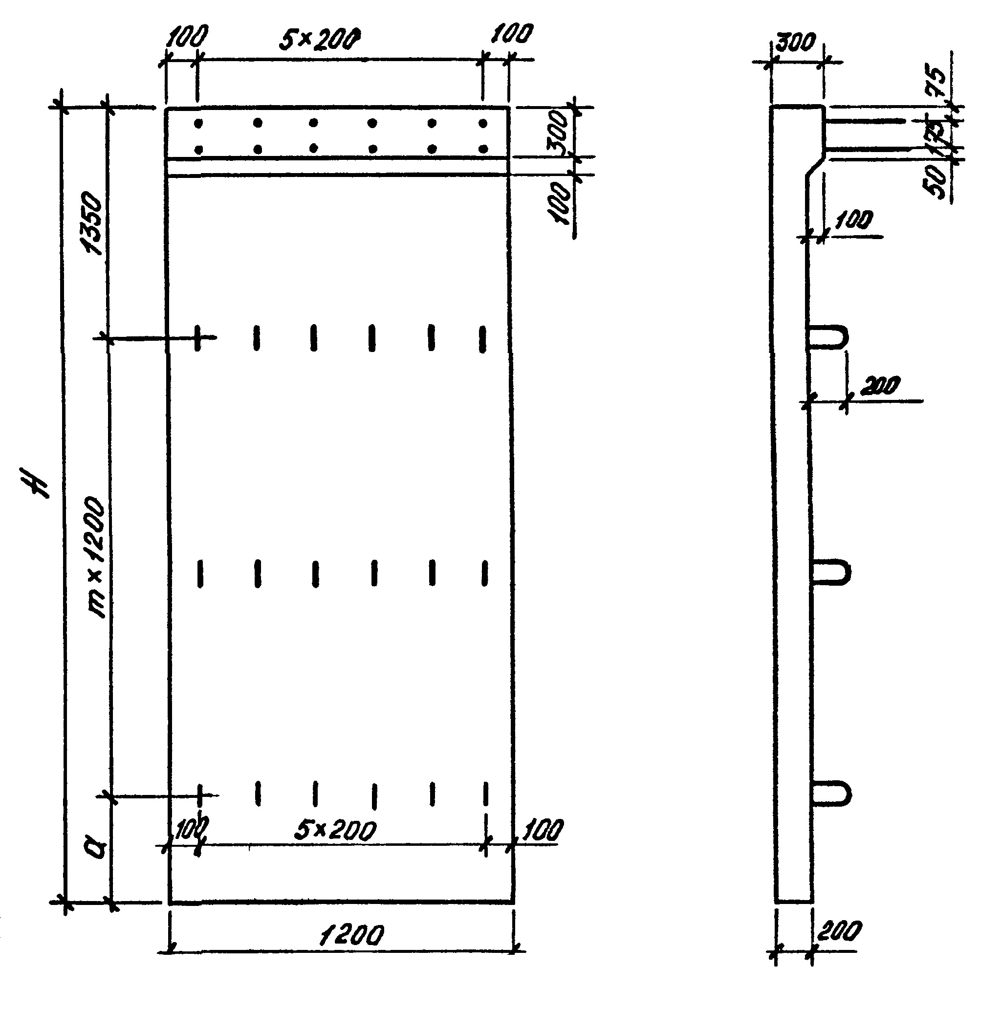
Плита фундаментная плоская ППФ 15-39 ТУ - это качественное железобетонное изделие, предназначенное для использования в строительстве фундаментов зданий и сооружений. Она обладает высокой прочностью и надежностью, что позволяет ей выдерживать значительные нагрузки. Плита имеет плоскую форму, что обеспечивает удобство при укладке и обеспечивает равномерное распределение нагрузки на грунт.









